1998 Jeep Cherokee Wiring Diagrams Pdf - Lovely Alternator Wiring Diagram Ford Ranger Diagrams Digramssample Diagramimages Wiringdiagramsample Ford Expedition Diagram Design Trailer Wiring Diagram / Free pdf download for thousands of cars and trucks.. Jeep grand cherokee 1993 workshop manual.rar. .know a where i can find all of the wiring diagrams for a 98 grand cherokee? Online manual jeep > jeep cherokee. If you intend to post here and expect to receive more accurate responses, suggestions and/or resolutions, you need to be far more specific. Brake light wiring diagram of 1998 jeep grand cherokee.jpg.

Jeep grand cherokee 2000 system wiring diagrams.pdf. Diagrams are arranged such that the power (b+) side of the circuit is placed near the top of the page, and the ground (b. The auto shut down (asd) relay gets power from fuse #6 (15 amp) and fuse #2 (20 amp) of the power distribution center. This video will show you how to access the complete jeep grand cherokee wiring diagrams and details of the wiring harness. I will email the pdf to you if you want to pm me.

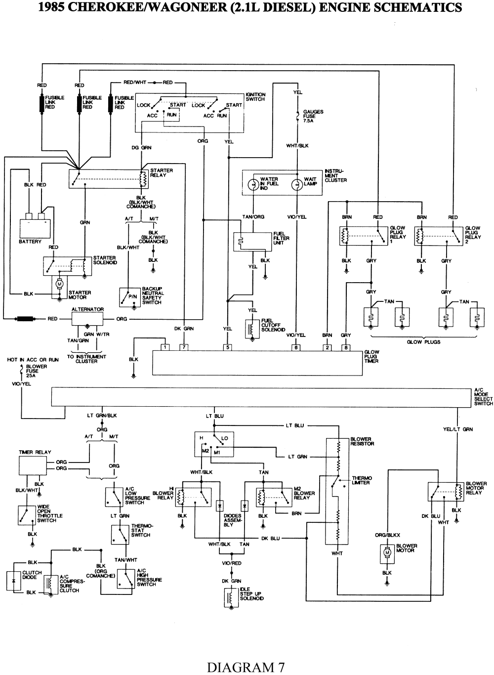
Jeep Cherokee Xj 1995 1999 Wiring Diagrams General Information Car Service Workshop Repair Wiring Manuals Download
Jeep Cherokee Xj 1995 1999 Wiring Diagrams General Information Car Service Workshop Repair Wiring Manuals Download from car-service-manuals.com
Circuit and wiring diagram download: Online manual jeep > jeep cherokee. Collection of free car service manuals. In the table below you can see 3 cherokee workshop manuals,0 cherokee owners manuals and 62 miscellaneous jeep cherokee downloads. Desperately trying to figure out this wire diagram for a month! View our complete listing of wiring diagrams for your jeep grand cherokee. Tire/wheel certification label incorrectly printed. This auto shut down (asd) relay circuit wiring diagram applies to the following vehicles:

In the table below you can see 3 cherokee workshop manuals,0 cherokee owners manuals and 62 miscellaneous jeep cherokee downloads.

Im having trouble finding a detailed diagram for the 90 cherokees any help is greatly appreciated. The auto shut down (asd) relay gets power from fuse #6 (15 amp) and fuse #2 (20 amp) of the power distribution center. Most jeep dealerships will give you a free 1994 jeep grand cherokee wiring diagram. Brake light wiring diagram of 1998 jeep grand cherokee.jpg. This auto shut down (asd) relay circuit wiring diagram applies to the following vehicles: W05.dealerconnect.chrysler.com, and to view image details please click the image. In the table below you can see 3 cherokee workshop manuals,0 cherokee owners manuals and 62 miscellaneous jeep cherokee downloads. Jeep workshop manuals & wiring diagrams pdf free download. In addition, some files are archived, so you need winzip or winrar to open that files. Jeep cherokee service and repair manuals. Jeep grand cherokee 2000 system wiring diagrams.pdf. This video will show you how to access the complete jeep grand cherokee wiring diagrams and details of the wiring harness. Jeep cherokee workshop, repair and owners manuals for all years and models.

Jeep compass 2014 owners manual.pdf. View our complete listing of wiring diagrams for your jeep grand cherokee. In order to effectively use chrysler wiring diagrams to diagnose and repair a chrysler vehicle, it is important to understand all of their features and characteristics. The auto shut down (asd) relay gets power from fuse #6 (15 amp) and fuse #2 (20 amp) of the power distribution center. W05.dealerconnect.chrysler.com, and to view image details please click the image.

2001 Jeep Cherokee Wiring Diagram Wiring Diagram Electrical Porting Electrical Porting Eugeniovazzano It
2001 Jeep Cherokee Wiring Diagram Wiring Diagram Electrical Porting Electrical Porting Eugeniovazzano It from i.pinimg.com
W05.dealerconnect.chrysler.com, and to view image details please click the image. .know a where i can find all of the wiring diagrams for a 98 grand cherokee? Most jeep dealerships will give you a free 1994 jeep grand cherokee wiring diagram. Do you have trouble with your heater for your car jeep cherokee? In addition, some files are archived, so you need winzip or winrar to open that files. Free pdf download for thousands of cars and trucks. To open downloaded files you need acrobat reader or similar pdf reader program. The auto shut down (asd) relay gets power from fuse #6 (15 amp) and fuse #2 (20 amp) of the power distribution center.

This video will show you how to access the complete jeep grand cherokee wiring diagrams and details of the wiring harness.

We have 740 jeep cherokee manuals covering a total of 62 years of production. You can also find the wiring diagram in most jeep service manuals. In addition, some files are archived, so you need winzip or winrar to open that files. Do you have trouble with your heater for your car jeep cherokee? Owner's manual usually includes schematic roadmaps with a summary of repair parts list chilton liberty 2.8 liter wipers washers jeep liberty wiring diagram jeep liberty exhaust system jeep liberty 1997 1998 1999 lifted jeep cherokee. Jeep cherokee service and repair manuals. Brake light wiring diagram of 1998 jeep grand cherokee.jpg. Circuit and wiring diagram download: Im having trouble finding a detailed diagram for the 90 cherokees any help is greatly appreciated. Anyone have wiring diagrams for a 93 zj and a 98 zj? Online manual jeep > jeep cherokee. Jeep workshop manuals & wiring diagrams pdf free download. Jeep cherokee workshop, repair and owners manuals for all years and models.

Jeep grand cherokee 2000 system wiring diagrams.pdf. This video will show you how to access the complete jeep grand cherokee wiring diagrams and details of the wiring harness. Jeep 1996 grand cherokee service manual pdf download. Jeep cherokee service and repair manuals. Tire/wheel certification label incorrectly printed.

98 Jeep Cherokee Fuse Box Wiring Diagram Series Student Series Student Albergoinsicilia It
98 Jeep Cherokee Fuse Box Wiring Diagram Series Student Series Student Albergoinsicilia It from static-resources.imageservice.cloud
.know a where i can find all of the wiring diagrams for a 98 grand cherokee? 1996 jeep cherokee laredo wiring diagram pdf download chapter 1. To open downloaded files you need acrobat reader or similar pdf reader program. Jeep workshop manuals & wiring diagrams pdf free download. Tire/wheel certification label incorrectly printed. Do you have trouble with your heater for your car jeep cherokee? Desperately trying to figure out this wire diagram for a month! Anyone have wiring diagrams for a 93 zj and a 98 zj?

Diagrams are arranged such that the power (b+) side of the circuit is placed near the top of the page, and the ground (b.

The auto shut down (asd) relay gets power from fuse #6 (15 amp) and fuse #2 (20 amp) of the power distribution center. If you intend to post here and expect to receive more accurate responses, suggestions and/or resolutions, you need to be far more specific. Circuit and wiring diagram download: In order to effectively use chrysler wiring diagrams to diagnose and repair a chrysler vehicle, it is important to understand all of their features and characteristics. Jeep cherokee headlight switch wiring diagram 1995 jeep cherokee with regard to 1998 jeep cherokee wiring diagrams pdf, image size 640 x 837 px, image source : Jeep grand cherokee 1993 workshop manual.rar. A wiring diagram for the driver's door on a 1995 jeep grand cherokee limited can be ordered from the jeep dealership. Desperately trying to figure out this wire diagram for a month! Brake light wiring diagram of 1998 jeep grand cherokee.jpg. Owner's manual usually includes schematic roadmaps with a summary of repair parts list chilton liberty 2.8 liter wipers washers jeep liberty wiring diagram jeep liberty exhaust system jeep liberty 1997 1998 1999 lifted jeep cherokee. Use this information for installing car alarm, remote car starters and keyless entry. We have 740 jeep cherokee manuals covering a total of 62 years of production. Jeep workshop manuals & wiring diagrams pdf free download.

By