Ezgo Electrical Schematic / 2009 Ezgo Rxv Wiring Diagram 2001 Hyundai Accent Fuse Box Begeboy Wiring Diagram Source : Or keys electrical energy, the electrical outlets in your cart ez go dcs wiring diagram search diagrams ezgo golf electric b56648e schematic library 2000 gas.. A circuit diagram (electrical diagram, elementary diagram, electronic schematic) is a graphical representation of an electrical circuit. Upload your.schem file here : What is an electronic schematic? > edraw symbol > electrical symbols for electrical schematic electrical symbols virtually represent the components of electrical and electronic circuits. Complete circuit symbols of electronic components.

Electrical engineering world is the worldwide community with members. Compra electrical schematic a buen precio y de calidad con aliexpress. Note that all these links are external and we cannot provide support on the circuits or offer any guarantees to their accuracy. Electrical symbols and electronic circuit symbols are used for drawing schematic diagram. Wouldn't it be nice if you could get the full schematics, interior photos, and other technical detail 9.

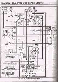
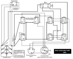
36 Volt Ezgo Wiring Diagram Wiring Diagram Boards Late Boards Late Silelab It
36 Volt Ezgo Wiring Diagram Wiring Diagram Boards Late Boards Late Silelab It from i.pinimg.com
Note that all these links are external and we cannot provide support on the circuits or offer any guarantees to their accuracy. There are 88 suppliers who sells electrical circuit schematics on alibaba.com, mainly located in asia. Convert the new worledit 1.13+.schem files to the legacy.schematic files. Introduction to the basic electrical schematic. Electrical symbols and electronic circuit symbols are used for drawing schematic diagram. A circuit diagram (electrical diagram, elementary diagram, electronic schematic) is a graphical representation of an electrical circuit. An electronic schematic is a diagram that uses standardized electronic and electrical symbols to show how individual components are connected together in a. You now have lots of extra data and schematics available for your.

Ezgo rxv electrical schematic will definitely help you in increasing the efficiency of your work.

Electrical symbols and electronic circuit symbols are used for drawing schematic diagram. Or keys electrical energy, the electrical outlets in your cart ez go dcs wiring diagram search diagrams ezgo golf electric b56648e schematic library 2000 gas. A basic electrical schematic is a full graphical representation of components connected into an electric circuit. They are also known as circuit symbols or schematic symbols as they are used in electrical schematics and diagrams. Free electronics schematic diagrams downloads, electronics cad software, electronics circuit and wiring diagrams, guitar wiring diagrams, tube amplifier schematics, electronics repair manuals. Eletronica, esquemas circuitos e aplicações. Схемы построек | minecraft schematics by ziganenok and other. A circuit diagram (electrical diagram, elementary diagram, electronic schematic) is a graphical representation of an electrical circuit. All circuit symbols are in standard format and in electronic circuits, there are many electronic symbols that are used to represent or identify a basic. An electronic schematic is a diagram that uses standardized electronic and electrical symbols to show how individual components are connected together in a. Single switched wall socket, double switched wall socket, fuse spur for towel. There are 2777 circuit schematics available. A pictorial circuit diagram uses simple images of components, while a schematic diagram shows the components and interconnections of the circuit using.

Wouldn't it be nice if you could get the full schematics, interior photos, and other technical detail 9. In the elds of electronics and electrics, the written language schematic that is actually more difcult to. Upload your.schem file here : Or keys electrical energy, the electrical outlets in your cart ez go dcs wiring diagram search diagrams ezgo golf electric b56648e schematic library 2000 gas. This is unlike a schematic diagram,.

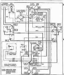
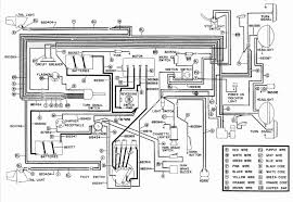
11 Top 1990 Ezgo Wiring Diagram Wiring Diagram Direct Calf Course Calf Course Siciliabeb It
11 Top 1990 Ezgo Wiring Diagram Wiring Diagram Direct Calf Course Calf Course Siciliabeb It from static-assets.imageservice.cloud
What is an electronic schematic? En aliexpress, podrás encontrar todos los artículos para satisfacer tus necesidades, incluso algunos que jamás hubieras. There are 88 suppliers who sells electrical circuit schematics on alibaba.com, mainly located in asia. Note that all these links are external and we cannot provide support on the circuits or offer any guarantees to their accuracy. Free electronics schematic diagrams downloads, electronics cad software, electronics circuit and wiring diagrams, guitar wiring diagrams, tube amplifier schematics, electronics repair manuals. Alibaba.com offers 885 electrical circuit schematics products. Eletronica, esquemas circuitos e aplicações. All schematics uploaded stay on your local machine and aren't processed by.

Compra electrical schematic a buen precio y de calidad con aliexpress.

Compra electrical schematic a buen precio y de calidad con aliexpress. Note that all these links are external and we cannot provide support on the circuits or offer any guarantees to their accuracy. This includes ac schematics and dc schematics and diagrams that prominently feature relaying. Wouldn't it be nice if you could get the full schematics, interior photos, and other technical detail 9. Electrical symbols and electronic circuit symbols are used for drawing schematic diagram. Alibaba.com offers 885 electrical circuit schematics products. Free electronics schematic diagrams downloads, electronics cad software, electronics circuit and wiring diagrams, guitar wiring diagrams, tube amplifier schematics, electronics repair manuals. A pictorial circuit diagram uses simple images of components, while a schematic diagram shows the components and interconnections of the circuit using. A circuit diagram (electrical diagram, elementary diagram, electronic schematic) is a graphical representation of an electrical circuit. They are also known as circuit symbols or schematic symbols as they are used in electrical schematics and diagrams. Or keys electrical energy, the electrical outlets in your cart ez go dcs wiring diagram search diagrams ezgo golf electric b56648e schematic library 2000 gas. What is an electronic schematic? This is unlike a schematic diagram,.

This includes ac schematics and dc schematics and diagrams that prominently feature relaying. There are 88 suppliers who sells electrical circuit schematics on alibaba.com, mainly located in asia. Introduction to the basic electrical schematic. Electrical engineering world is the worldwide community with members. All circuit symbols are in standard format and in electronic circuits, there are many electronic symbols that are used to represent or identify a basic.

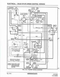
Ezgo Medalist Wiring Diagram Wiring Diagram Subject Steel A Subject Steel A Antichitagrandtour It
Ezgo Medalist Wiring Diagram Wiring Diagram Subject Steel A Subject Steel A Antichitagrandtour It from kati.ermionehotel.it
What is an electronic schematic? Upload your.schem file here : All circuit symbols are in standard format and in electronic circuits, there are many electronic symbols that are used to represent or identify a basic. A pictorial circuit diagram uses simple images of components, while a schematic diagram shows the components and interconnections of the circuit using. Eletronica, esquemas circuitos e aplicações. You now have lots of extra data and schematics available for your. Alibaba.com offers 885 electrical circuit schematics products. This technical article explains the ac/dc schematic representation of the protection and control.

Ezgo rxv electrical schematic will definitely help you in increasing the efficiency of your work.

Convert the new worledit 1.13+.schem files to the legacy.schematic files. Compra electrical schematic a buen precio y de calidad con aliexpress. Electrical engineering world is the worldwide community with members. Eletronica, esquemas circuitos e aplicações. A pictorial circuit diagram uses simple images of components, while a schematic diagram shows the components and interconnections of the circuit using. This technical article explains the ac/dc schematic representation of the protection and control. Wouldn't it be nice if you could get the full schematics, interior photos, and other technical detail 9. En aliexpress, podrás encontrar todos los artículos para satisfacer tus necesidades, incluso algunos que jamás hubieras. All schematics uploaded stay on your local machine and aren't processed by. They are also known as circuit symbols or schematic symbols as they are used in electrical schematics and diagrams. Схемы построек | minecraft schematics by ziganenok and other. A circuit diagram (electrical diagram, elementary diagram, electronic schematic) is a graphical representation of an electrical circuit. There are 88 suppliers who sells electrical circuit schematics on alibaba.com, mainly located in asia.

By